Análisis en estado estable y transitorio defuentes de generación distribuida operando en isla
Artículos
Análisis en estado estable y transitorio defuentes de generación distribuida operando en isla
Martes 19 de Abril 2016
Resumen
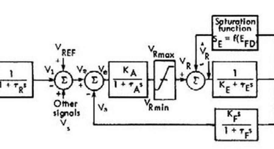
En éste trabajo se presenta un esquema de operación para que una planta de generación distribuida de potencia opere de manera aislada en un sistema de distribución. Se analiza su funcionamiento mediante simulaciones de estado estable y dinámico. Los análisis fueron realizados sobre un sistema de prueba radial IEEE de 13 nodos, gracias a que este tipo sistemas cuenta con diversas configuraciones de fase para las líneas, cargas desbalanceadas, bancos de condensadores y transformadores de media a baja tensión. En cuanto a las tecnologías simuladas, se hizo uso de dos tipos de generación distribuida: generadores síncronos y generadores asíncronos con el fin de incluir energías renovables y no renovales, y por otro lado máquinas síncronas y asíncronas. Los resultados indican un aumento en los perfiles del voltaje de los nodos más críticos del sistema: 1,5 % dependiendo del tipo de tecnología utilizada (máquina síncrona o asíncrona) y 2 % dependiendo del punto de ubicación en la red radial. Durante el control de operación de la máquina PQ, el nivel de cargabilidad “λ” en el nodo 646 del sistema, comparado con la máquina síncrona; aumenta en 0,545 MW, para un nivel de colapso de voltaje de 78,42 V. Las simulaciones muestran que la utilización de fuentes de generación distribuida aumenta la frecuencia de oscilación del sistema de 13 nodos y estas oscilaciones de frecuencia son más grandes cuando se usan máquinas asíncronas del orden de 5,09 Hz.



